झेजियांग सेहनाइडर इलेक्ट्रिक कंपनी, लि.
झेजियांग सेहनाइडर इलेक्ट्रिक कंपनी, लि.
उत्पादने
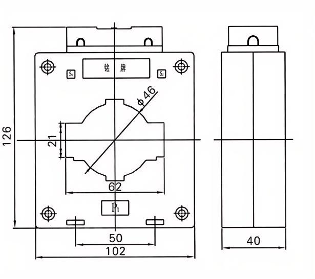
बीएच -0.66-60 वर्तमान ट्रान्सफॉर्मर्स
  • बीएच -0.66-60 वर्तमान ट्रान्सफॉर्मर्सबीएच -0.66-60 वर्तमान ट्रान्सफॉर्मर्स

बीएच -0.66-60 वर्तमान ट्रान्सफॉर्मर्स

बीएच -0.66-60 सध्याचे ट्रान्सफॉर्मर्स पीसी फ्लेम - रिटार्डंट मटेरियलचा अवलंब करतात आणि चुंबकीय - आयोजित करणारी सामग्री 0.2 आणि 0.5 पातळीवरील उत्पादनाची अचूकता सुनिश्चित करण्यासाठी एक एनिल्ड टोरोइडल कोर आहे. 0.2 एस आणि 0.5 एस सारख्या अल्ट्रा - उच्च अचूकतेच्या पातळीसाठी, केवळ सुपरकंडक्टिंग मॅग्नेट्स अशा अचूकतेची आवश्यकता पूर्ण करू शकतात.

बीएच -0.66-60 वर्तमान ट्रान्सफॉर्मर्स 50 हर्ट्झची रेटेड वारंवारता आणि 0.66 केव्ही, 0.69 केव्ही, 0.5 केव्ही आणि इलेक्ट्रिक एनर्जी मीटरिंग, वर्तमान मोजमाप आणि रिले संरक्षणासाठी रेटेड व्होल्टेजसह पॉवर सिस्टमवर लागू आहे.


डीएएचयूचा हा सध्याचा ट्रान्सफॉर्मर इनडोअर वापरासाठी आहे, वितरण कॅबिनेट आणि बॉक्समध्ये स्थापित केला आहे. यात एक कादंबरी मॅग्नेटिक सर्किट डिझाइन, प्रगत नुकसान भरपाईच्या पद्धती, उत्कृष्ट प्रक्रिया तंत्र, सुरक्षित आणि विश्वासार्ह कामगिरी आणि एक लहान आणि सुंदर देखावा आहे.


बाह्य शेल उच्च - सामर्थ्य ज्योत - संपूर्ण -बंद रचना आणि एक ज्वाला - v1 चे रेटर्डंट रेटिंगसह बनलेले आहे. अंतर्गत कोर उच्च - दर्जेदार धान्य - देणारं सिलिकॉन स्टील शीट्सचे बनलेले आहे. कमी तापमानात वाढ सुनिश्चित करण्यासाठी वायर व्यास आर्थिक वर्तमान घनतेनुसार काटेकोरपणे निवडले जाते. प्रगत आणि विश्वासार्ह चाचणी उपकरणांसह, ते दर्जेदार मानकांचे पालन सुनिश्चित करते.


यात चौरस आणि गोल छिद्र प्रकार आहेत, जे एकल - रूट किंवा एकाधिक - रूट केबल प्रवेश किंवा एकल - रूट बसबार प्रवेशासाठी उपयुक्त आहेत. यात संपूर्ण उत्पादन मालिका, विविध प्रकारचे वैशिष्ट्य आणि विस्तृत अनुप्रयोग श्रेणी आहे.


अनुप्रयोग

उर्जा देखरेख आणि मीटरिंग

सर्किट संरक्षण आणि रिले समन्वय

औद्योगिक ऑटोमेशन आणि स्मार्ट ग्रिड सिस्टम

तांत्रिक वैशिष्ट्ये

रेट केलेले व्होल्टेज: 0.66 केव्ही

वारंवारता: 50/60 हर्ट्ज

अचूकता वर्ग: 0.5, 1.0 (सानुकूल करण्यायोग्य)

इन्सुलेशन लेव्हल: 3 केव्ही/मिनिट


मुख्य तांत्रिक मापदंड

रेट केलेले प्राथमिक
चालू (अ)
अचूकता
वर्ग
संयोजन
रेट केलेले दुय्यम उत्पादन (व्हीए) 1 एस थर्मल करंट (केए) रेटेड डायनॅमिक करंट (केए)
0.2 (चे) 0.2 0.5 10 पी 10
5-40 0.2/10p10
0.5/10p10
/ 10 10 15 90 लिन 220 लिन
5-40 100 लिन 250 लिन
5-40 20 50
5-40
5-40 36 90
10
5-40 45 100
5-40 56 100
5-40
5-40 80 110
5-40 100 110


हॉट टॅग्ज: बीएच -0.66-60 वर्तमान ट्रान्सफॉर्मर्स
चौकशी पाठवा
संपर्क माहिती
  • पत्ता

    झियानगांग इंडस्ट्रियल झोन, युइकिंग, झेजियांग, चीन

  • दूरध्वनी

    +86-13506554625

  • ई-मेल

    river@dahuelec.com

आपल्याकडे कोटेशन किंवा सहकार्याबद्दल काही चौकशी असल्यास, कृपया आम्हाला रिव्हर@dahuelec.com वर ईमेल करा किंवा खालील चौकशी फॉर्म वापरा. आमचा विक्री प्रतिनिधी 24 तासांच्या आत आपल्याशी संपर्क साधेल. आमच्या उत्पादनांमध्ये आपल्या स्वारस्याबद्दल धन्यवाद.
X
We use cookies to offer you a better browsing experience, analyze site traffic and personalize content. By using this site, you agree to our use of cookies. Privacy Policy
Reject Accept