झेजियांग सेहनाइडर इलेक्ट्रिक कंपनी, लि.
झेजियांग सेहनाइडर इलेक्ट्रिक कंपनी, लि.
उत्पादने
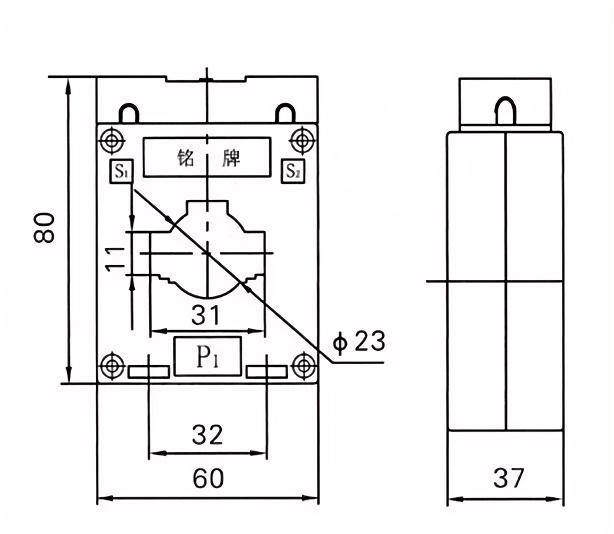
बीएच -0.66-30 वर्तमान ट्रान्सफॉर्मर्स
  • बीएच -0.66-30 वर्तमान ट्रान्सफॉर्मर्सबीएच -0.66-30 वर्तमान ट्रान्सफॉर्मर्स

बीएच -0.66-30 वर्तमान ट्रान्सफॉर्मर्स

बीएच -0.66-30 सध्याचे ट्रान्सफॉर्मर्स (सीटीएस) अचूक वर्तमान मोजमाप आणि कमी-व्होल्टेज इलेक्ट्रिकल सिस्टममध्ये देखरेखीसाठी डिझाइन केलेले अचूक-इंजिनियर्ड इन्स्ट्रुमेंट्स आहेत. 0.66 केव्हीच्या रेट इन्सुलेशन व्होल्टेजसह, हे ट्रान्सफॉर्मर्स ऊर्जा व्यवस्थापन, संरक्षणात्मक रिलेंग आणि मीटरिंग अनुप्रयोगांसाठी आदर्श आहेत.

वैशिष्ट्ये:

उच्च अचूकता: बिलिंग आणि देखरेखीच्या उद्देशाने विश्वसनीय कामगिरी सुनिश्चित करून, आयईसी 61869 मानकांची पूर्तता करते.

कॉम्पॅक्ट डिझाइन: घट्ट जागांमध्ये सुलभ स्थापनेसाठी स्पेस-सेव्हिंग कन्स्ट्रक्शन.

विस्तृत चालू श्रेणी: विविध औद्योगिक आणि व्यावसायिक भारांसाठी योग्य 30 ए पर्यंतची प्राथमिक चालू.

टिकाऊ साहित्य: मजबूत गृहनिर्माण पर्यावरणीय घटक आणि यांत्रिक तणावास प्रतिकार प्रदान करते.

सुरक्षा अनुपालन: बीएच -0.66-30 सध्याचे ट्रान्सफॉर्मर्स आंतरराष्ट्रीय सुरक्षा आणि कामगिरी प्रमाणपत्रांचे पालन करतात.


अनुप्रयोग:

वीज वितरण प्रणालींमध्ये उर्जा मीटरिंग.

सर्किट ब्रेकर आणि रिलेमध्ये ओव्हरकंटंट संरक्षण.

स्मार्ट ग्रिड्स आणि आयओटी-आधारित मॉनिटरींग सोल्यूशन्ससह एकत्रीकरण.

तांत्रिक वैशिष्ट्ये:

रेट केलेले व्होल्टेज: 0.66 केव्ही

वारंवारता: 50/60 हर्ट्ज

अचूकता वर्ग: 0.5, 1.0 (सानुकूल करण्यायोग्य)

ओझे: ग्राहकांच्या आवश्यकतेनुसार


मुख्य तांत्रिक मापदंड

रेट केलेले प्राथमिक
चालू (अ)
अचूकता
वर्ग
संयोजन
रेट केलेले दुय्यम उत्पादन (व्हीए) थर्मल करंट (केए) आहे रेटेड डायनॅमिक करंट (केए)
0.2 (चे) 0.2 0.5 10 पी 10
5-40 0.2/10p10
0.5/10p10
/ 10 10 15 90 लिन 220 लिन
5-40 100 लिन 250 लिन
5-40 20 50
5-40
5-40 36 90
10
5-40 45 100
5-40 56 100
5-40
5-40 80 110
5-40 100 110


हॉट टॅग्ज: बीएच -0.66-30 वर्तमान ट्रान्सफॉर्मर्स
चौकशी पाठवा
संपर्क माहिती
  • पत्ता

    झियानगांग इंडस्ट्रियल झोन, युइकिंग, झेजियांग, चीन

  • दूरध्वनी

    +86-13506554625

  • ई-मेल

    river@dahuelec.com

आपल्याकडे कोटेशन किंवा सहकार्याबद्दल काही चौकशी असल्यास, कृपया आम्हाला रिव्हर@dahuelec.com वर ईमेल करा किंवा खालील चौकशी फॉर्म वापरा. आमचा विक्री प्रतिनिधी 24 तासांच्या आत आपल्याशी संपर्क साधेल. आमच्या उत्पादनांमध्ये आपल्या स्वारस्याबद्दल धन्यवाद.
X
आम्ही तुम्हाला एक चांगला ब्राउझिंग अनुभव देण्यासाठी, साइट रहदारीचे विश्लेषण करण्यासाठी आणि सामग्री वैयक्तिकृत करण्यासाठी कुकीज वापरतो. ही साइट वापरून, तुम्ही आमच्या कुकीजच्या वापरास सहमती देता. गोपनीयता धोरण
नकार द्या स्वीकारा